
產品簡介
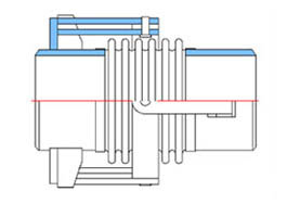
萬向鉸鏈型波紋膨脹節由波紋管、平衡環及兩對與平衡環和端管相連的鉸鏈板組成的撓性部件。一般為兩個萬向鉸鏈型或兩個萬向鉸鏈型與一個單式鉸鏈一起配套組使用,適用于"L"型和"Z"型管系中,主要以角偏轉的方式補償多平面彎曲管段的合成位移。由 于平衡環、銷軸和鉸鏈板能承受壓力推力和其他附加外力的作用,膨脹節自身吸收內壓推力,不會對管道產生外力,因此管道支撐的設置可以簡化。為保證客戶未來 產品使用無缺陷,我司出廠所有萬向鉸鏈型產品鉸鏈板及平衡環的厚度絕對達到安全要求,保證承受未來工作過程中造成的重大管道壓力推力。
萬向鉸鏈型波紋膨脹節性能特點: 主要以角偏轉的方式補償多平面彎曲管段的合成位移。 由于平衡環、銷軸和鉸鏈板能承受壓力推力和其他附加外力的作用,膨脹節自身吸收內壓推力,不會對管道產生外力,因此管道支撐的設置可以簡化。萬向鉸鏈式波紋補償器可以補償管線任意向上的角位移。萬向鉸鏈型膨脹節與鉸鏈式不同處在于它有一個萬向環,在萬向環的周向有二對相互垂直的鉸鏈結構,因此它能吸收任意平面的角向位移,同樣吸收位移時需二個或三個組合使用。
萬向鉸鏈型波紋膨脹節應用范圍: 要應用于各種復雜管系,補償各種空間管系的角向位移,如L型管道、Z型管道、U型管道等。

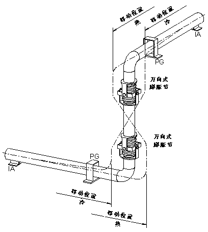
在 多平面的管道系統中,設計成應用兩個萬向型膨脹節的“Z”型管道是最好的解決方法。如圖所示,萬向式膨脹節可以吸收兩個不同平面的熱膨脹,同時吸收壓力推 力。支管中的熱膨脹已經被水平方向的管道自身的撓性所吸收。如圖所示的平面導管裝置控制著垂直方向的位移。中間支架則用于吸收系統中的低補償力。
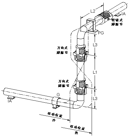
兩個萬向鉸鏈型波紋膨脹節、一個鉸鏈式波紋膨脹節系統結構圖

當 水平管道自身的撓性無法滿足支管中熱膨脹的吸收時,這種多平面管道系統就經常被應用。如圖所示,為了適應這種熱膨脹位移,需將一個鉸鏈式膨脹節與兩個萬向 型膨脹節聯合使用。這樣可以保證L1與L2有最大尺寸規格,L3則保持最小。低處的管道必須用固定的導管裝置,高處的管道則需用平面導管裝置。

